- Home
- »
- Manufacturer Direct Lines
- »
- ACTEK
- »
- ACTEK AK43711 1/2-13 LIFTING RING
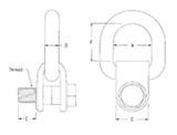
ACTEK AK43711 1/2-13 LIFTING RING
Manufactured By: ACTEK
Manufacture Part Number: AK43711
Product Number: ARP00120358
PRODUCT OVERVIEW:
Technical Specifications:
- Material: Aircraft Quality Alloy
- Finish: Black oxide per mil spec. (cadmium plated available)
- Designed for side mounting applications
- Great for dies and molds
- Rated load from 650 - 15,000 lbs.
- Safety Factor: 4:1
- Certified heat treatment
- 100% magnetic particle inspected
This product is currently out of stock.
