- Home
- »
- Manufacturer Direct Lines
- »
- ACTEK
- »
- ACTEK AK46972 M64 X 6.00 SWVL HOIST RING
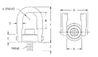
ACTEK AK46972 M64 X 6.00 SWVL HOIST RING
Manufactured By: ACTEK
Manufacture Part Number: AK46972
Product Number: ARP00120478
PRODUCT OVERVIEW:
Technical Specifications:
- Material: AISI 4140 Aircraft Quality
- Finish: Black oxide per mil spec. (cadmium plated available)
- Safety Factor: 5:1
- Certified heat treatment
- 100% magnetic particle inspected
- 200% proof-load tested, with serial number for traceability
This product is currently out of stock.
