CATEGORIES
- Automation Surplus
- Manufacturer Direct Lines
- ACTEK
- Carver Clamps
- DE-STA-CO Clamping Tools
- Freer NAAMS
- Bases
- Cylinder and Shock Components
- Fastener Components
- L-Blocks
- Locating Pins and Retainers
- Master Blocks
- NC Blocks
- Pass and Load Stands
- Peripheral Components
- Pin Mounting Modular Assemblies
- Pin Packages
- Pivots
- Power Clamps
- Rest Blocks
- Riser Angle Brackets
- Robotics
- Rough Locators
- Safety Pin Components
- Safety Screen Systems
- Shims and Spacers
- Misc
- Retainers and Keepers
- Shims
- Spacers
- Shop Floor Components
- Stop Blocks
- Switch Mounting Components
- Industrial Magnetics
- TE-CO Products
- Home
- »
- Manufacturer Direct Lines
- »
- Freer NAAMS
- »
- Shims and Spacers
- »
- Shims
- »
- FREER NAAMS SHIMS DSCH004-M200
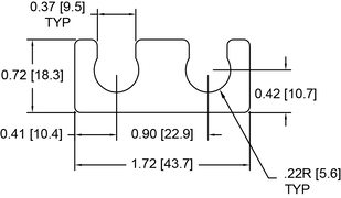
FREER NAAMS SHIMS DSCH004-M200
Manufactured By: FREER NAAMS
Manufacture Part Number: DSCH004-M200
Product Number: ARP00083133
PRODUCT OVERVIEW:
FREER NAAMS SHIMS DSCH004-M200 Metric thickness shim 2.00mm Other part numbers: FSD 34495-51
This product is currently out of stock.
