- Home
- »
- Manufacturer Direct Lines
- »
- TE-CO Products
- »
- CMM Fixturing & Inspection Components
- »
- Tapped Hole Location Gages
- »
- TE-CO 10311 THLG UNF 5/16-24
TE-CO 10311 THLG UNF 5/16-24
Manufactured By: TE-CO
Manufacture Part Number: 10311
Product Number: ARP00116306
PRODUCT OVERVIEW:
Technical Specifications:
- Material:
– Body: 52100 Steel
– Collar:12L14 Steel - Black oxide finish on collar only
- Two piece construction
- Use to accurately measure the distance between two tapped holes in a workpiece
- Shaft size is the same diameter on all gages to simplify calculation of the hole spread
– All diameters are concentric within .0002 T.I.R. - English:
– Thread Class: 3A
– Left-hand thread, helicoil, or other non-standard gages quoted upon request - Metric:
– Thread Class: 6G
– ISO metric fine pitch thread, left-hand thread, helicoil, or other non-standard gages quoted upon request
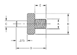
Thread A | | 5/16-24 |
Diameter B | | 0.500 in |
Diameter C | | 0.250 in |
D | | 1.000 in |
E | | 0.375 in |
Weight per 100 pcs. | | 3.00 lb |
This product is currently out of stock.
