- Home
- »
- Manufacturer Direct Lines
- »
- TE-CO Products
- »
- CMM Fixturing & Inspection Components
- »
- Premium Short Shank Inspection Balls
- »
- TE-CO 10604 PREM SHT SHK TOOLING BALL
TE-CO 10604 PREM SHT SHK TOOLING BALL
Manufactured By: TE-CO
Manufacture Part Number: 10604
Product Number: ARP00116326
PRODUCT OVERVIEW:
Technical Specifications:
- Each kit includes a wooden storage box
- Special kits can be assembled to meet your requirements.
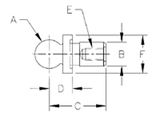
Diameter A1 | 0.500 in | ||
Diameter B2 | 0.250 in | ||
C | 0.630 in | ||
D3 | 0.313 in | ||
Thread E | 6-32 | ||
Diameter F | 0.500 in | ||
Weight per 100 pcs. | 3.00 lb | ||
| |||
This product is currently out of stock.
