- Home
- »
- Manufacturer Direct Lines
- »
- TE-CO Products
- »
- CMM Fixturing & Inspection Components
- »
- Precision Balls (Precision Slip Fit Shoulder Balls)
- »
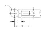
- TE-CO 10850 PREC SHLDR TOOLING BALL
TE-CO 10850 PREC SHLDR TOOLING BALL
Manufactured By: TE-CO
Manufacture Part Number: 10850
Product Number: ARP00116366
PRODUCT OVERVIEW:
Technical Specifications:
- Each kit includes a wooden storage box
- Special kits can be assembled to meet your requirements.
This product is currently out of stock.
