- Home
- »
- Manufacturer Direct Lines
- »
- TE-CO Products
- »
- Tooling Components
- »
- Jig Bore Clamp Components
- »
- Aluminum Heel Rest
- »
- TE-CO 40215 HEEL RST 3/8
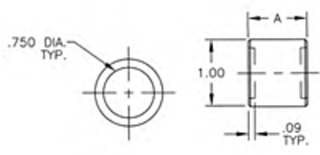
TE-CO 40215 HEEL RST 3/8
Manufactured By: TE-CO
Manufacture Part Number: 40215
Product Number: ARP00117080
PRODUCT OVERVIEW:
Technical Specifications:
- Heel Rests prevent marring of the table top surface
- Material: Aluminum
This product is currently out of stock.
